MACOM CMPA2735030S 30W GaN MMIC Power Amplifier
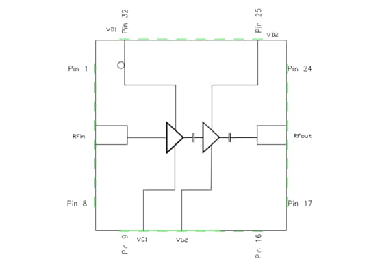
MACOM CMPA2735030S 30W 2.7GHz to 3.5GHz GaN MMIC Power Amplifier is a High Electron Mobility Transistor (HEMT) based monolithic microwave integrated circuit (MMIC). The CMPA2735030S gallium nitride (GaN) Amp offers excellent benefits compared to silicon or gallium arsenide, including higher breakdown voltage, higher saturated electron drift velocity, and higher thermal conductivity. Additionally, the GaN HEMTs provide greater power density and wider bandwidths compared to Si and GaAs transistors.The MACOM CMPA2735030S 30W GaN MMIC Power Amplifier features a two-stage reactively matched amplifier design allowing high power and added efficiency in a 5mm x 5mm, surface mount (QFN package).
Features
- 32dB small signal gain
- Operation up to 50V
- High breakdown voltage
- High-temperature operation
- 5mm x 5mm Total product size
Applications
- Pulsed radar amplifiers
- Civil
- Military
Specification Chart
Application Schematic
Published: 2021-09-10
| Updated: 2024-01-17
