STMicroelectronics IPS8160HQ Octal High-Side Drivers

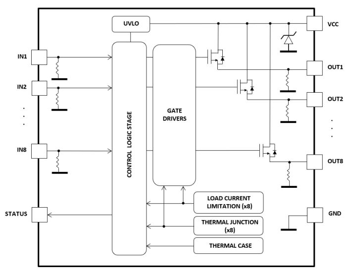
STMicroelectronics IPS8160HQ Octal High-Side Drivers are monolithic devices designed with VIPower M0-3 technology to drive any load with one side connected to the ground. These drivers feature CMOS-compatible input, very low standby current, under-voltage shutdown, and overload and short-circuit protection with output current limitation. The IPS8160HQ high-side drivers also feature case over-temperature protection for thermal independence of the channels, protection against loss of ground, and a thermal shutdown diagnostic pin.

The IPS8160HQ high-side drivers can be driven by a 3.3V logic supply. These high-side drivers are protected by active current limitation, thermal shutdown, and automatic restartĀ against overload. In overload conditions, the channel turns OFF and ON automatically to maintain the junction temperature between TJSD and TR. The IPS8160HQ high-side drivers are designed to meet IEC 61000-4-2, IEC 61000-4-4, and IEC 61000-4-5. These high-side drivers are suitable for industrial applications conforming to IEC 61131. Typical applications include a programmable logic control, vending machines, industrial PC peripheral input/output,and numerical control machines.

Features

  • Operating output current:
    • 0.7A (IPS8160HQ)
    • 1.0A (IPS8160HQ-1)
  • CMOS compatible input
  • Very low standby current
  • Under-voltage shutdown
  • Junction over-temperature protection
  • Protection against loss of ground
  • Thermal shutdown diagnostic pin
  • Overload and short-circuit protection with output current limitation
  • Case overtemperature protection for thermal independence of the channels
  • Designed to meet IEC 61000-4-2, IEC 61000-4-4, and IEC 61000-4-5
  • QFN48L 8mm x 6mm x 0.9mm package

Specifications

  • 45VDC supply voltage
  • -1mA to 10mA DC input current range
  • 4W power dissipation at Tc=25°C
  • -0.3V to 5.5V input voltage range

Applications

  • Programmable logic control
  • Vending machines
  • Industrial PC peripheral input/output
  • Numerical control machines

Block Diagram

Block Diagram - STMicroelectronics IPS8160HQ Octal High-Side Drivers

Videos

Published: 2023-01-20 | Updated: 2025-01-09