Mikroe Angle 2 Click (MIKROE-2338)
Mikroe Angle 2 Click (MIKROE-2338) is a magnetic rotational sensor that relies on the ultra-fast MA700 angular sensor integrated circuit. Because of a high data output rate of 500kHz, the MA700 IC is able to provide reliable absolute angular positional data at speeds up to 100,000 RPM. An ideal solution for various contactless angle measurement applications. The device can be used for servo drives, in various robotic and automotive applications, for the BLDC motor speed detection, and as the mechanical quadratic encoder replacement.Features
- Accurate sensing of the magnetic angle at up to 100,000RPM
- Good linearity and low error margin even when used with the off-axis magnets
- Latency-free Spinaxis technology
- OTP memory for permanent storing of the default parameters
Applications
- Contactless angle measurement applications
- Servo drives
- Robotics
- Automotive
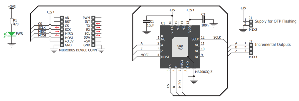
Schematic
Published: 2018-12-20
| Updated: 2022-08-08
