Diodes Incorporated PI6C4911502D Differential Fanout Buffer

Diodes Incorporated PI6C4911502D Differential Fanout Buffer is a high-performance device that is designed to support up to 1.5GHz frequency. This device integrates two dividers with user-configurable output dividers on a per-output basis which provides great flexibility to users. This fanout buffer is ideal for systems that need scale-down clock signals to multiple destinations. The PI6C4911502D buffer features two LVPECL outputs with two individual dividers up to 1.5GHz output frequency and a separate input-output supply voltage for level shifting. This fanout buffer operates at -55°C to 150°C of storage temperature range, 125°C of junction temperature, and 70mA of power supply current. The fanout buffer is used in applications such as networking systems including switches and routers, high-frequency backplane-based computing, and telecom platforms.

Features

  • 2 LVPECL outputs with two individual dividers
  • Low additive phase jitter
    • Supports LVPECL, LVDS, CML, and HCSL inputs
  • Separate input-output supply voltage for level shifting
  • Industrial temperature support
  • Totally lead-free and fully RoHS compliant
  • Halogen and antimony free “Green” device
  • Packaging (Pb-free and green):
    • 16-pin, TQFN package (ZH)

Specifications

  • -55°C to 150°C storage temperature range
  • 125°C junction temperature
  • Up to 1.5GHz output frequency
  • 70mA power supply current
  • -0.5V to 4.6V supply voltage to ground potential range (VDD, VDDO)
  • -40°C to 85°C ambient operating temperature range
  • 2.375V to 3.465V core supply voltage range

Applications

  • Networking Systems, including switches and routers
  • High-frequency backplane-based computing and telecom platforms

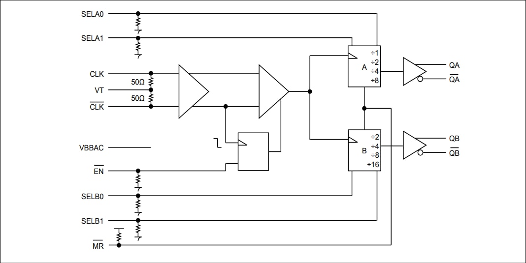
Block Diagram

Block Diagram - Diodes Incorporated PI6C4911502D Differential Fanout Buffer
Published: 2022-04-18 | Updated: 2022-07-05