Broadcom ACHS-719x Current Sensor ICs
Broadcom ACHS-719x Current Sensor ICs belong to the fully integrated Hall-Effect-based isolated linear current sensor device family. These devices are designed for AC or DC current sensing in industrial, commercial, and communications systems. The ACHS-719x Current Sensor ICs consist of a precise and low-offset, linear Hall circuit with a copper conduction path located near the surface of the die. Applied current flowing through this copper conduction path generates a magnetic field that the differential Hall sensors convert into a proportional voltage. The Current Sensor ICs accuracy is optimized across the operating ambient temperature through the close proximity of the magnetic signal to the Hall sensors.The ICs feature 0.7mΩ (typical) internal conductor resistance, low-noise analog signal path, and an extremely stable output offset voltage. These current sensor ICs operate with a 5V single supply voltage within a -40°C to +110°C temperature range. The ACHS-719x ICs performance is delivered in a compact, surface-mountable SO-8 package that meets worldwide regulatory safety standards. Typical applications include eBikes, motor phase/rail current sensing, solar inverters, chargers/converters, and switching power supplies.
Features
- Output voltage proportional to AC or DC currents
- Ratiometric output from the supply voltage
- 5V single-supply operation
- 0.7mΩ typical internal conductor resistance
- ±10A to ±50A sensing current range
- 40mV/A to 185mV/A output sensitivity range
- Low-noise analog signal path
- Extremely stable output offset voltage
- Device bandwidth is set via the FILTER pin, 80kHz typical bandwidth with 1nF filter capacitor
- Factory-trimmed for accuracy
- Near-zero magnetic hysteresis
- Maximum output error of ±6.0% across operating TA
- Greater than 25kV/µs common-mode transient immunity
- -40°C to +110°C operating temperature range
- Small footprint and low-profile SO-8 package
- UL/cUL and IEC/EN 62368-1 (Viorm = 567 Vpeak) approval
- 3kVrms isolation voltage for 1-minute
Applications
- Low-power inverter current sensing
- eBikes
- Motor phase and rail current sensing
- Solar inverters
- Chargers and converters
- Switching power supplies
Application Circuit
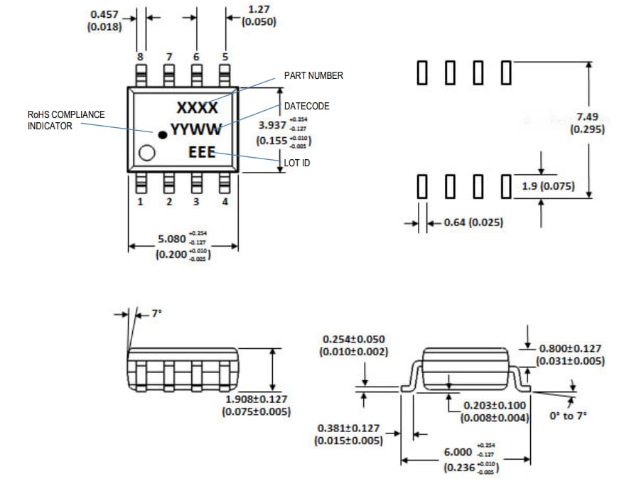
Dimensions
Published: 2020-10-27
| Updated: 2024-03-26
