Analog Devices Inc. LTC2387-16 & LTC2387-18 SAR ADCs
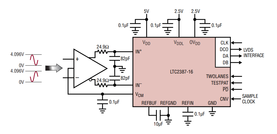
Analog Devices Inc. LTC2387-16 and LTC2387-18 SAR Analog to Digital Converters (ADC) are low noise, high speed, 16- and 18-bit 15Msps successive approximation register (SAR) ADCs designed for a wide range of applications. The LTC2387-16 and LTC2387-18 ADCs are ideal for high-speed imaging and instrumentation applications with the combination of excellent linearity and a wide dynamic range.The LTC2387-16 and LTC2387-18 SAR ADCs offer a no-latency operation enabling a unique solution for high-speed control loop applications. The very low distortion at high input frequencies allows communications applications needing a wide dynamic range and significant signal bandwidth. The devices feature a serial LVDS digital interface to support high-speed operation while minimizing data lines. The LVDS interface has one-lane and two-lane output modes, allowing the user to optimize the interface data rate for each application.
The Analog Devices Inc. LTC2387-16 and LTC2387-18 SAR ADCs have a 125mW power dissipation and are housed in a 32-pin (5mm × 5mm) QFN package.
Features
- 15Msps Throughput rate
- No pipeline delay, no cycle latency
- 93.8dB SNR (Typ) at fIN = 1MHz (LTC2387-16), 95.7dB SNR (Typ) at fIN = 1MHz (LTC2387-18)
- 102dB SFDR (Typ) at fIN = 1MHz
- Nyquist sampling up to 7.5MHz input
- Guaranteed 16-Bit, (LTC2387-16), guaranteed 18-Bit (LTC2387-18), no missing codes
- ±0.8LSB INL (Max) (LTC2387-16), ±3LSB INL (Max) (LTC2387-18)
- 8.192VP-P Differential inputs
- 5V and 2.5V Supplies
- Internal 20ppm/°C (Max) reference
- Serial LVDS interface
- 125mW Power dissipation
- 32-Pin (5mm × 5mm) QFN package
Applications
- High-speed data acquisition
- Imaging
- Communications
- Control loops
- Instrumentation
- ATE
Datasheets
Typical Application
Additional Resources
Published: 2021-08-20
| Updated: 2025-03-25
